* 16 puncte de ridicare in judetele: Ilfov, Bihor, Botosani, Braila, Calarasi, Ialomita, Cluj, Constanta, Dolj, Giurgiu, Iasi, Satu Mare, Teleorman, Timis, Tulcea, Vaslui * 25.000 repere New Holland, Case, Steyr in stoc * 2.000 repere Kverneland in stoc * Gama variata aftermarket * Livrare rapida * Consultanta tehnica
Preincalzitor combustibil Diesel (motorina) 12V, 10,7A [Stanadyne] - GRANIT [37400011]
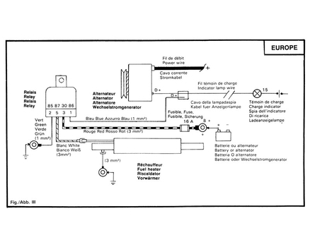
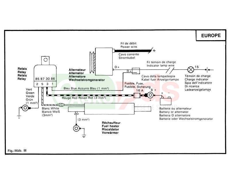
Se monteaza pe conducta de alimentare cu combustibil in pozitie oblica, cat mai pe verticala si cat mai aproape de filtru (Fig. I-II). Se conecteaza la instalatia electrica si intra in functiune la scaderea temperaturii ambientale sub 10 °C (Fig. III).
Date tehnice:
* Lungime: 175 mm
* 12 V, 10,7 A
* Racord furtun: 8 mm
Cod: 37400011
![Preincalzitor combustibil Diesel (motorina) 12V, 10,7A [Stanadyne] - GRANIT [37400011]](https://eagropds.liderit.ro/public/imagini/med/preincalzitor-combustibil-diesel-motorina-12v-107a-stanadyne_granit_37400011.jpg)
![Preincalzitor combustibil Diesel (motorina) 12V, 10,7A [Stanadyne] - GRANIT [37400011]](https://eagropds.liderit.ro/public/imagini/med/preincalzitor-combustibil-diesel-motorina-12v-107a-stanadyne_granit_37400011_3.jpg)
![Preincalzitor combustibil Diesel (motorina) 12V, 10,7A [Stanadyne] - GRANIT [37400011]](https://eagropds.liderit.ro/public/imagini/med/preincalzitor-combustibil-diesel-motorina-12v-107a-stanadyne_granit_37400011_2.jpg)







